SMP
SMP
主要技術特性
| 電氣性能 | 材料及機械性能 | |||||
|---|---|---|---|---|---|---|
| 特性阻抗 | 50Ω | 內導體 | 插針 | 錫青銅 | 鍍金 | |
| 頻率范圍 | DC~26.5GHz | 插孔 | 鈹青銅 | 鍍金 | ||
| 額定電壓 | 335V rms | 殼體及其他金屬件 | 黃銅/不銹鋼 | 鍍金/鈍化 | ||
| 介質耐壓 | 500V rms | 彈性件 | 鈹青銅 | 鍍金 | ||
| 電壓駐波比 | ≤1.10 | DC~3GHz | 絕緣介質 | 光孔 | PTFE | |
| ≤1.15 | 3GHz~6GHz | 嚙合力和分離力 | 半擒縱 | 9N max | 2.2N | |
| ≤1.30 | 6GHz~26.5GHz | 全擒縱 | 45N max | 9N min | ||
| 接觸電阻 | ≤6.0mΩ | 中心接觸件 | 光孔 | 68N max | 22N min | |
| ≤2.0mΩ | 外接觸件 | 耐久性 | 半擒縱 | 1000次 | ||
| 絕緣電阻 | ≥5000MΩ | 全擒縱 | 500次 | |||
| 插入損耗 | ≤0.05√f(GHz)dB | 100次 | ||||
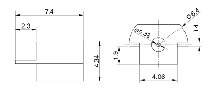
具體型號
![]() |
![]() |
| 產品型號 | 適配電纜 | 備注 |
|---|---|---|
| SMP-JHD-F/L/S |
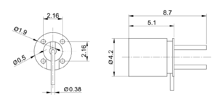
![]() |
![]() |
| 產品型號 | 適配電纜 | 備注 |
|---|---|---|
| SMP-JHD13-L | |
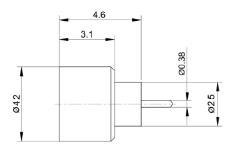
![]() |
![]() |
| 產品型號 | 適配電纜 | 備注 |
|---|---|---|
| SMP-JHD21 | |
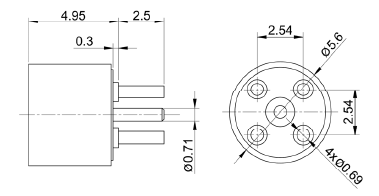
![]() |
![]() |
| 產品型號 | 適配電纜 | 備注 |
|---|---|---|
| SMP-JHD22 | |















