TNC
TNC
主要技術特性
| 電氣性能 | 材料及機械性能 | |||||
|---|---|---|---|---|---|---|
| 特性阻抗 | 50Ω | 內導體 | 插針 | 黃銅 | 鍍金 | |
| 頻率范圍 | DC~11GHz | 插孔 | 鈹青銅 | 鍍金 | ||
| 額定電壓 | 500V rms | 殼體及其他金屬件 | 黃銅/不銹鋼 | 鍍鎳/鈍化 | ||
| 介質耐壓 | 1500V rms | 彈性件 | 鈹青銅 | 鍍鎳/鈍化 | ||
| 電壓駐波比 | ≤1.3 | 絕緣介質 | PTFE | |||
| 接觸電阻 | ≤2.0mΩ | 中心接觸件 | 密封圈 | 硅橡膠 | ||
| ≤1.0mΩ | 外接觸件 | 溫度范圍 | -65℃ ~+165℃ | |||
| 絕緣電阻 | ≥5000MΩ | 耐久性 | 500次 | |||
| 插入損耗 | ≤0.05√f(GHz)dB | |||||
具體型號
![]() |
![]() |
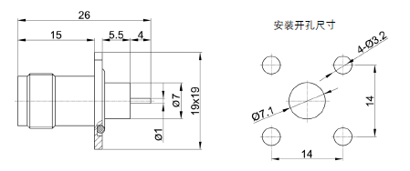
| 產品型號 | 適配電纜 | 備注 |
|---|---|---|
| TNC-KFD27 |
![]() |
![]() |
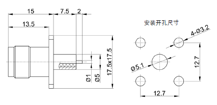
| 產品型號 | 適配電纜 | 備注 |
|---|---|---|
| TNC-KFD28 |
![]() |
![]() |
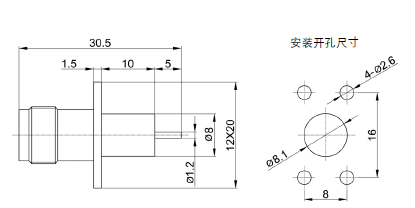
| 產品型號 | 適配電纜 | 備注 |
|---|---|---|
| TNC-KFD29 |
![]() |
![]() |
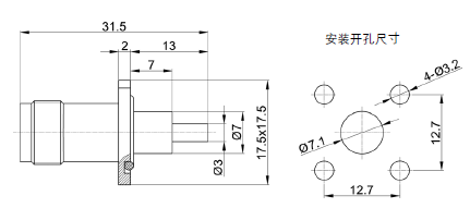
| 產品型號 | 適配電纜 | 備注 |
|---|---|---|
| TNC-KFD30 |
![]() |
![]() |
| 產品型號 | 適配電纜 | 備注 |
|---|---|---|
| TNC-KFD31 |
![]() |
![]() |
| 產品型號 | 適配電纜 | 備注 |
|---|---|---|
| TNC-KFD32 |
![]() |
![]() |
| 產品型號 | 適配電纜 | 備注 |
|---|---|---|
| TNC-KFD33 |
![]() |
![]() |
| 產品型號 | 適配電纜 | 備注 |
|---|---|---|
| TNC-KFD34 |
![]() |
![]() |
| 產品型號 | 適配電纜 | 備注 |
|---|---|---|
| TNC-KFD35 |
![]() |
![]() |
| 產品型號 | 適配電纜 | 備注 |
|---|---|---|
| TNC-KFD36 |
![]() |
![]() |
| 產品型號 | 適配電纜 | 備注 |
|---|---|---|
| TNC-KFD37 |
![]() |
![]() |
| 產品型號 | 適配電纜 | 備注 |
|---|---|---|
| TNC-KFD38 |































