SMA
SMA
SMA-JFD 更多產品
- · TNC/SMA
- · N/SMA
- · SMA-KKY
- · SMA-KKF
- · SMA-JKF
- · SMA-JKW
- · SMA-KK
- · SMA-JK
- · SMA(M)
- · SMA-KWHD
- · SMA-KHD
- · SMA-JWHD
- · SMA-JHD
- · SMA-KYD
- · SMA-KWFD
- · SMA-KFD(8)
- · SMA-KFD(7)
- · SMA-KFD(6)
- · SMA-KFD(5)
- · SMA-KFD(4)
- · SMA-KFD(3)
- · SMA-KFD(2)
- · SMA-KFD(1)
- · SMA-JWFD
- · SMA-JFD
- · SMA-KY
- · SMA-KF
- · SMA-K
- · SMA-JW
- · SMA-J
主要技術特性
| 電氣性能 | 材料及機械性能 | |||||
|---|---|---|---|---|---|---|
| 特性阻抗 | 50Ω | 內導體 | 插針 | 黃銅 | 鍍金 | |
| 頻率范圍 | DC~18GHz | 插孔 | 鈹青銅 | 鍍金 | ||
| 額定電壓 | 335V rms | 殼體及其他金屬件 | 黃銅/不銹鋼 | 鍍金/鈍化 | ||
| 介質耐壓 | 1000V rms | 彈性件 | 鈹青銅 | 鍍金 | ||
| 電壓駐波比 | ≤1.05+0.1f(GHz) | 絕緣介質 | PTFE或LCP | |||
| ≤1.05+0.08f(GHz) | 配半柔、半剛電纜中心 | 密封圈 | 硅橡膠 | |||
| 接觸電阻 | ≤3mΩ | 中心接觸件 | 溫度范圍 | -65℃ ~+165℃ | ||
| ≤2mΩ | 外接觸件 | 耐久性 | 500次 | |||
| 絕緣電阻 | ≥5000MΩ | |||||
| 插入損耗 | ≤0.06√f(GHz)dB | |||||
具體型號
![]() |
![]() |
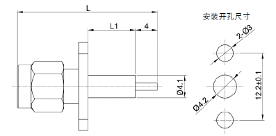
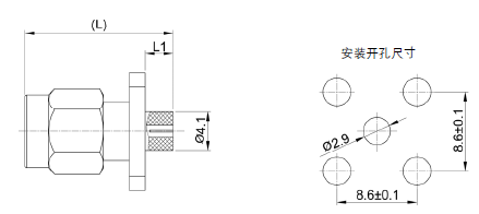
| 產品型號 | L1 | L |
|---|---|---|
| SMA-JFD | 8.6 | 25.4 |
| SMA-JFD23 | 2.0 | 18.7 |
![]() |
![]() |
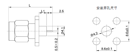
| 產品型號 | L1 | L |
|---|---|---|
| SMA-JFD1 | 2.4 | 17.8 |
| SMA-JFD2 | 3.2 | 18.6 |
| SMA-JFD3 | 4.8 | 20.2 |
| SMA-JFD4 | 4.0 | 19.4 |
![]() |
![]() |
| 產品型號 | h | |
|---|---|---|
| SMA-JFD5 | 0.5 | |
| SMA-JFD9 | 0.2 |
![]() |
![]() |
| 產品型號 | 適配電纜 | |
|---|---|---|
| SMA-JFD6 | |
![]() |
![]() |
| 產品型號 | L1 | L |
|---|---|---|
| SMA-JFD7 | 3.2 | 18.6 |
| SMA-JFD8 | 4.0 | 19.4 |
| SMA-JFD21 | 2.4 | 17.9 |
![]() |
![]() |
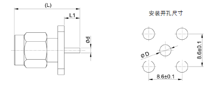
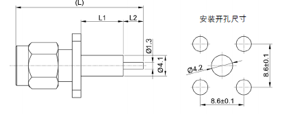
| 產品型號 | L1 | L | d | D |
|---|---|---|---|---|
| SMA-JFD10 | 4.0 | 16.9 |
1.3 | 2.9 |
| SMA-JFD24 | 1.6 | 14.5 | 0.6 | 2.1 |
| SMA-JFD25 | 1.2 | 14.1 | 0.8 | 1.8 |
| SMA-JFD25A | 0.9 | 13.8 | 0.5 | 1.2 |
![]() |
![]() |
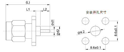
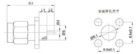
| 產品型號 | L1 | L2 | L | d | D |
|---|---|---|---|---|---|
| SMA-JFD11 | 2.0 | 4.0 | 18.9 | 1.3 | 4.1 |
| SMA-JFD12 | 8.4 | 2.0 | 23.3 | 1.3 | 4.1 |
| SMA-JFD13 | 8.4 | 4.0 | 25.3 | 1.3 | 4.1 |
| SMA-JFD14 | 4.0 | 0.6 | 17.4 | 0.4 | 4.1 |
![]() |
![]() |
| 產品型號 | h | |
|---|---|---|
| SMA-JFD15 | 0.2 | |
| SMA-JFD16 | 0.4 |
![]() |
![]() |
| 產品型號 | L1 | L | h |
|---|---|---|---|
| SMA-JFD17 | 3.0 | 16.0 | 0.2 |
| SMA-JFD71 | 2.0 | 14.9 | 0.4 |
![]() |
![]() |
| 產品型號 | L1 | L2 | L | d |
|---|---|---|---|---|
| SMA-JFD18 | 3.2 | 3.0 |
19.1 | 1.3 |
| SMA-JFD19 | 4.0 | 2.5 | 19.4 | 1.3 |
![]() |
![]() |
| 產品型號 | 適配電纜 | 備注 |
|---|---|---|
| SMA-JFD20 |
![]() |
![]() |
| 產品型號 | 適配電纜 | 備注 |
|---|---|---|
| SMA-JFD22 |
![]() |
![]() |
| 產品型號 | L1 | L2 | L | d |
|---|---|---|---|---|
| SMA-JFD27 | 2.4 | 2.5 |
17.8 | 1.0 |
| SMA-JFD30 | 3.0 | 1.5 | 17.4 | 0.7 |
| SMA-JFD64 | 1.0 | 4.5 | 18.4 | 1.3 |
![]() |
![]() |
| 產品型號 | L1 | L2 | L | d |
|---|---|---|---|---|
| SMA-JFD28 | 5.0 | 3.0 |
20.9 | 0.8 |
| SMA-JFD53 | 6.0 | 2.0 | 20.9 | 1.3 |
| SMA-JFD60 | 5.0 | 2.7 | 20.6 | 1.3 |
![]() |
![]() |
| 產品型號 | 適配電纜 | 備注 |
|---|---|---|
| SMA-JFD33 | |
![]() |
![]() |
| 產品型號 | L1 | L2 | L |
|---|---|---|---|
| SMA-JFD34 | 8.4 | 4.0 | 25.0 |
| SMA-JFD35 | 5.0 | 4.5 | 25.0 |
| SMA-JFD37 | 7.5 | 2.0 | 22.4 |
| SMA-JFD22A | 15.0 | 3.0 | 30.9 |
![]() |
![]() |
| 產品型號 | d | 適配插針(直徑) |
|---|---|---|
| SMA-JFD38 | 0.4 | |
| SMA-JFD52 | 0.9 | 0.9~0.93 |
| SMA-JFD69 | 0.8 | 0.8~0.83 |
| SMA-JFD79 | 0.5 | 0.48~0.52 |







































