SMA
SMA
SMA-KFD(5) 更多產品
- · TNC/SMA
- · N/SMA
- · SMA-KKY
- · SMA-KKF
- · SMA-JKF
- · SMA-JKW
- · SMA-KK
- · SMA-JK
- · SMA(M)
- · SMA-KWHD
- · SMA-KHD
- · SMA-JWHD
- · SMA-JHD
- · SMA-KYD
- · SMA-KWFD
- · SMA-KFD(8)
- · SMA-KFD(7)
- · SMA-KFD(6)
- · SMA-KFD(5)
- · SMA-KFD(4)
- · SMA-KFD(3)
- · SMA-KFD(2)
- · SMA-KFD(1)
- · SMA-JWFD
- · SMA-JFD
- · SMA-KY
- · SMA-KF
- · SMA-K
- · SMA-JW
- · SMA-J
主要技術特性
| 電氣性能 | 材料及機械性能 | |||||
|---|---|---|---|---|---|---|
| 特性阻抗 | 50Ω | 內導體 | 插針 | 黃銅 | 鍍金 | |
| 頻率范圍 | DC~18GHz | 插孔 | 鈹青銅 | 鍍金 | ||
| 額定電壓 | 335V rms | 殼體及其他金屬件 | 黃銅/不銹鋼 | 鍍金/鈍化 | ||
| 介質耐壓 | 1000V rms | 彈性件 | 鈹青銅 | 鍍金 | ||
| 電壓駐波比 | ≤1.05+0.1f(GHz) | 絕緣介質 | PTFE或LCP | |||
| ≤1.05+0.08f(GHz) | 配半柔、半剛電纜中心 | 密封圈 | 硅橡膠 | |||
| 接觸電阻 | ≤3mΩ | 中心接觸件 | 溫度范圍 | -65℃ ~+165℃ | ||
| ≤2mΩ | 外接觸件 | 耐久性 | 500次 | |||
| 絕緣電阻 | ≥5000MΩ | |||||
| 插入損耗 | ≤0.06√f(GHz)dB | |||||
具體型號
![]() |
![]() |
| 產品型號 | L1 | L2 | L | d |
|---|---|---|---|---|
| SMA-KFD91 | 1.6 | 13.1 | 24.2 | 1.3 |
| SMA-KFD101 | 15 | 3.0 | 27.5 | 1.3 |
| SMA-KFD103 | 7.5 | 2.0 | 19 | 1.4 |
![]() |
![]() |
| 產品型號 | d | D | h | 適配插針(直徑) |
|---|---|---|---|---|
| SMA-KFD92 | 0.9 | * | 12.2 | 0.9~0.93 |
| SMA-KFD113 | 0.4 | * | 10.2 | 0.3~0.35 |
| SMA-KFD191 | 0.8 | * | 10.2 | 0.8~0.83 |
| SMA-KFD192 | 0.8 | * | 12.2 | 0.8~0.83 |
| SMA-KFD209 | 0.4 | * | 10.2 | 0.35~0.40 |
![]() |
![]() |
| 產品型號 | d | D | 適配插針(直徑) |
|---|---|---|---|
| SMA-KFD93 | 0.9 | * | 0.9~0.93 |
| SMA-KFD276 | 0.8 | * | 0.78~0.80 |
| SMA-KFD280 | 0.5 | * | 0.45~0.48 |
![]() |
![]() |
| 產品型號 | 適配電纜 | 備注 |
|---|---|---|
| SMA-KFD98 | |
![]() |
![]() |
| 產品型號 | 適配電纜 | 備注 |
|---|---|---|
| SMA-KFD100 | |
![]() |
![]() |
| 產品型號 | L1 | L2 | L | d1 | h |
|---|---|---|---|---|---|
| SMA-KFD102AG | 5.0 | 3.0 | 17.5 | 1.3 | 10.2 |
| SMA-KFD314 | 4.0 | 5.6 | 19.1 | 0.7 | 12.2 |
| SMA-KFD315 | 3.0 | 1.5 | 14 | 1.3 | 12.2 |
![]() |
![]() |
| 產品型號 | 適配電纜 | 備注 |
|---|---|---|
| SMA-KFD108 | |
![]() |
![]() |
| 產品型號 | 適配電纜 | 備注 |
|---|---|---|
| SMA-KFD133G | |
![]() |
![]() |
| 產品型號 | 適配電纜 | 備注 |
|---|---|---|
| SMA-KFD140 | |
![]() |
![]() |
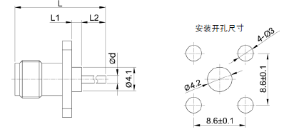
| 產品型號 | L1 | L2 | L | d1 | d2 | D |
|---|---|---|---|---|---|---|
| SMA-KFD142 | 3.0 | 3.0 | 17.0 | 1.3 | 4.1 | 4.2 |
| SMA-KFD143 | 12.2 | 4.0 | 25.7 | 1.3 | 3.0 | 3.1 |
| SMA-KFD147G | 3.2 | 2.0 | 14.7 | 1.3 | 4.1 | 4.2 |
| SMA-KFD150 | 15.0 | 3.0 | 27.5 | 1.3 | 4.1 | 4.2 |
| SMA-KFD157 | 20.0 | 5.0 | 34.5 | 1.3 | 4.1 | 4.2 |
| SMA-KFD267 | 10.5 | 7.0 | 27.7 | 0.8 | 2.6 | 2.7 |
| SMA-KFD274 | 2.0 | 2.5 | 14.0 | 1.3 | 4.1 | 4.2 |
| SMA-KFD280 | 3.0 | 3.0 | 15.5 | 1.0 | 4.1 | 4.2 |
![]() |
![]() |
| 產品型號 | 適配電纜 | 備注 |
|---|---|---|
| SMA-KFD144 | |
![]() |
![]() |
| 產品型號 | L1 | L2 | L |
|---|---|---|---|
| SMA-KFD145 | 3.0 | 2.5 | 15.0 |
| SMA-KFD129 | 4.0 | 2.0 | 15.6 |
| SMA-KFD251 | 5.0 | 2.5 | 17.0 |
| SMA-KFD270G | 4.0 | 2.5 | 16.0 |
| SMA-KFD297 | 5.0 | 3.0 | 17.6 |































